
Редукторы цилиндрические горизонтальные двухступенчатые с передачами зацепления Новикова серии Ц2У…Н являются приводами общего назначения и предназначены для увеличения крутящего момента и уменьшения частоты вращения различных машин и механизмов.
Условные обозначения
| 1Ц2У | 200 | 40 | 12 | Квх | Квых | У2 | ||
| Серия (тип) | Габарит | Харак- теристика зацеп- ления
| Испол- нение
| Переда- точное число | Вари- ант сборки | Испол- нение входного вала | Испол- нение выходного вала | Клима- тическое исполнение |
Серия (тип): 1ЦУ, 1Ц2У, 1Ц3У, Ц2, РМ, РЦД, РК, ВК, Ц2Н, Ц2У, ЦТНД, ЦДНД, Ц3вк, Ц3вк(ф), В.
Габарит: Межосевое расстояние последней (тихоходной) ступени в мм. В редукторах типа РМ, РК, РЦД, Ц2, ВК, Ц3вк, Ц3вк(Ф), В, ЦДНД, ЦТНД суммарное межосевое расстояние всех ступеней.
Характеристика зацепления: Не указывается в случае эвольвентного зацепления. В обозначении используется буква «Н» в случае зубчатого зацепления с профилем Новикова.
Исполнение: Ф – в случае фланцевого исполнения.
Передаточное число: по техническим характеристикам для каждого редуктора
Вариант сборки: по ГОСТ 20373
| Сборки с концами валов под муфты или или в виде части зубчатой муфты | ||
![]() | ![]() | ![]() |
| Сборки с концами тихоходного вала под приборы управлений | ||
![]() | ![]() | ![]() |
| Сборки с симметричным полым валом | ||
![]() | ![]() | ![]() |
| Сборки с несимметричным полым валом | ||
![]() | ![]() | ![]() |
Исполнение входного вала. Квх – конический входной вал, Цвх – цилиндрический входной вал.
Исполнение выходного вала. Квых – конический выходной вал, Цвых – цилиндрический выходной вал, Пвых, полый выходной вал, Мвых – выходной вал в виде зубчатой полумуфты (дополнительно может указываться модуль и количество зубьев).
Климатическое исполнение и категория размещения по ГОСТ 15150-69.
ПРИМЕР:
Редуктор 1ЦУ-160-2-23-Квх-Квых-УЗ
1ЦУ – тип редуктора (цилиндрический одноступенчатый горизонтальный)
160 – межосевое расстояние тихоходной ступени.
2 – передаточное число
23 – вариант сборки
Квх – конический входной вал
Квых – конический выходной вал
У3 – климатическое исполнение
Редуктор РМ-500-31,5-12-Квх-Цвых-У1
РМ – тип редуктора (цилиндрический двухступенчатый горизонтальный)
500 – суммарное межосевое расстояние всех ступеней
31,5 – передаточное число
12 – вариант сборки
Квх – конический входной вал
Цвых – цилиндрический выходной вал
У3 – климатическое исполнение
Редуктор Ц2У-315Н-40-11-Квх-М-У2
Ц2У – тип редуктора (цилиндрический двухступенчатый горизонтальный)
315 – межосевое расстояние тихоходной ступени
Н – в редукторе используется зубчатое зацепление с профилем Новикова
40 – передаточное число
11 – вариант сборки
Квх – конический входной вал
М – выходной вал в виде зубчатой полумуфты
У2 – климатическое исполнение
Редуктор В-200(Ф)-10-13-Квх-Квых-УЗ
Редуктор Ц3ВК(ф)-200-10-13-Квх-Квых-УЗ
В – тип редуктора (цилиндрический трехступенчатый вертикальный)
Ц3ВК(ф) – тип редуктора (цилиндрический трехступенчатый вертикальный с присоединительным фланцем)
200 – межосевое расстояние тихоходной ступени
(Ф) – исполнение с присоединительным фланцем на быстроходном валу
10 – передаточное число
13 – вариант сборки
Квх – конический входной вал
Квых – конический выходной вал
УЗ – климатическое исполнение
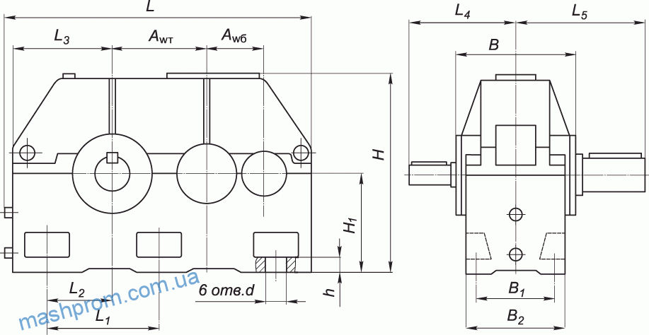
Габаритные размеры
| Тип | аω1 | аω2 | L | А | l1 | l2 | l3 | l4 | A1 | В | В1 | Н | Н1 | d |
| Ц2У-315Н | 200 | 315 | 1040 | 740 | 215 | 300 | 420 | 370 | 260 | 366 | 340 | 685 | 335 | 28 |
| Ц2У-355Н | 225 | 355 | 1160 | 850 | 250 | 320 | 440 | 425 | 280 | 435 | 360 | 745 | 375 | 28 |
| Ц2У-400Н | 250 | 400 | 1320 | 950 | 280 | 380 | 500 | 475 | 330 | 475 | 420 | 835 | 425 | 35 |
Размеры концов входных и выходных валов
— конический;
| Тип | d | d1 | l | l1 | b | L | t |
| входного вала | |||||||
| Ц2У-315Н | 50 | 45,9 | 110 | 82 | 12 | 300 | 48,9 |
| Ц2У-355Н | 55 | 50,9 | 110 | 82 | 14 | 320 | 54,4 |
| Ц2У-400Н | 60 | 54,75 | 140 | 105 | 14 | 380 | 54,4 |
| выходного вала | |||||||
| Ц2У-315Н | 110 | 101,75 | 210 | 165 | 25 | 420 | 106,75 |
| Ц2У-355Н | 125 | 116,75 | 210 | 165 | 28 | 440 | 122,75 |
| Ц2У-400Н | 140 | 130 | 250 | 200 | 32 | 500 | 137 |
— цилиндрический;
| Тип | d | t | b | l |
| входного вала | ||||
| Ц2У-315Н | 50k6 | 53,6 | 14 | 110 |
| Ц2У-355Н | 55k6 | 59 | 16 | 110 |
| Ц2У-400Н | 60m6 | 64 | 18 | 140 |
| выходного вала | ||||
| Ц2У-315Н | 110m6 | 116 | 28 | 210 |
| Ц2У-355Н | 125m6 | 132 | 32 | 210 |
| Ц2У-400Н | 140m6 | 148 | 36 | 250 |
Размеры конца выходного вала в виде зубчатой муфты
| Тип | m | z | d | d1 | В | k | L |
| Ц2У-315Н | 6 | 40 | 110F8 | 130 | 65 | 25 | 275 |
| Ц2У-355Н | 7 | 40 | 110F8 | 130 | 65 | 30 | 310 |
| 6 | 56 | 170F8 | 200 | 68 | 32 | 322 | |
| Ц2У-400Н | 8 | 40 | 150F8 | 180 | 65 | 35 | 335 |
| 6 | 56 | 170F8 | 200 | 68 | 32 | 335 |
Размеры конца выходного вала для подключения приборов и автоматики
| Тип | d1 | d2 | d3 | d4 | l |
| Ц2У-315Н | 110h10 | 75h8 | 55 | М8 | 5 |
| Ц2У-355Н | 130h10 | 75h8 | |||
| Ц2У-400Н | 140h10 | 75h9 |
Технические характеристики
| Тип | Ц2У-315Н | Ц2У-355Н | Ц2У-400Н | ||
| Номинальная радиальная консольная нагрузка, приложенная в середине посадочной части вала, кН | Выход. | Односторонний | 22,4 | 28,0 | 31,5 |
| Двухсторонний | 11,2 | 14,0 | 15,75 | ||
| Вход. | Односторонний | 4,0 | 5,0 | 7,1 | |
| Двухсторонний | 2,0 | 2,5 | 3,55 | ||
| Масса, кг | 510 | 700 | 930 | ||
| Частота вращения входного вала, об/мин | Режим работы | Номинальный крутящий момент при нереверсивном режиме работы, Нм | ||||||||
| Ц2У-315Н | ||||||||||
| Передаточное число | номин. | 8 | 10 | 12,5 | 16 | 20 | 25 | 31,5 | 40 | 50 |
| фактич. | 8,11 | 10,36 | 12,86 | 16,42 | 20,26 | 25,00 | 31,92 | 38,64 | 49,34 | |
| 500 | ПВ=15%(Л) | 103000 | 10700 | 10400 | 9900 | 10800 | 11200 | 9800 | 8700 | 10700 |
| ПВ=25%(С) | 9200 | 9200 | 9200 | 9200 | 8600 | 8600 | 8600 | 8700 | 7900 | |
| ПВ=40%(Т) | 9200 | 9200 | 9200 | 9200 | 8600 | 8600 | 8600 | 8600 | 7600 | |
| ПВ=100%(Н) | 8300 | 8400 | 8600 | 8300 | 8400 | 8400 | 8600 | 8200 | 7600 | |
| 750 | ПВ=15%(Л) | 9700 | 10100 | 10300 | 9900 | 10100 | 10500 | 9800 | 8700 | 10000 |
| ПВ=25%(С) | 9200 | 9200 | 9200 | 9200 | 8600 | 8600 | 8600 | 8600 | 7600 | |
| ПВ=40%(Т) | 9100 | 9200 | 9200 | 9100 | 8600 | 8600 | 8600 | 8600 | 7600 | |
| ПВ=100%(Н) | 8100 | 8200 | 8300 | 8200 | 8200 | 8300 | 8400 | 7900 | 7600 | |
| 1000 | ПВ=15%(Л) | 9200 | 9600 | 9900 | 9800 | 9600 | 10000 | 9800 | 8700 | 9600 |
| ПВ=25%(С) | 9200 | 9200 | 9200 | 9200 | 8600 | 8600 | 8600 | 8600 | 7600 | |
| ПВ=40%(Т) | 8900 | 9100 | 9100 | 8800 | 8600 | 8600 | 8600 | 8600 | 7600 | |
| ПВ=100%(Н) | 8000 | 8100 | 8200 | 8200 | 7900 | 8100 | 8300 | 7800 | 7600 | |
| 1500 | ПВ=15%(Л) | 9100 | 9200 | 9300 | 9600 | 9000 | 9300 | 9700 | 8600 | 8900 |
| ПВ=25%(С) | 8900 | 9100 | 9200 | 9200 | 8600 | 8600 | 8600 | 8600 | 7600 | |
| ПВ=40%(Т) | 8600 | 8800 | 8800 | 8500 | 8600 | 8600 | 8600 | 8400 | 7600 | |
| ПВ=100%(Н) | 8000 | 8000 | 8100 | 8100 | 7700 | 7800 | 7900 | 7600 | 7500 | |
| Ц2У-355Н | ||||||||||
| Передаточное число | номин. | 8 | 10 | 12,5 | 16 | 20 | 25 | 31,5 | 40 | 50 |
| фактич. | 8,11 | 10,36 | 12,86 | 16,42 | 20,26 | 25,00 | 31,92 | 38,64 | 49,34 | |
| 500 | ПВ=15%(Л) | 14000 | 14600 | 14200 | 13500 | 12500 | 15300 | 13500 | 12000 | 14700 |
| ПВ=25%(С) | 12600 | 12600 | 12600 | 12600 | 12500 | 11700 | 11700 | 12000 | 10800 | |
| ПВ=40%(Т) | 12600 | 12600 | 12600 | 12600 | 12000 | 11700 | 11700 | 11700 | 10400 | |
| ПВ=100%(Н) | 11600 | 11800 | 11900 | 11500 | 10600 | 11700 | 11700 | 11400 | 10400 | |
| 750 | ПВ=15%(Л) | 13200 | 13700 | 14000 | 13400 | 12500 | 14300 | 13500 | 12000 | 13700 |
| ПВ=25%(С) | 12600 | 12600 | 12600 | 12600 | 12300 | 11700 | 11700 | 11700 | 10400 | |
| ПВ=40%(Т) | 12500 | 12600 | 12600 | 12500 | 11700 | 11700 | 11700 | 11700 | 10400 | |
| ПВ=100%(Н) | 11300 | 11400 | 12600 | 11400 | 10400 | 11600 | 11700 | 10900 | 10400 | |
| 1000 | ПВ=15%(Л) | 12500 | 13100 | 11600 | 13300 | 12300 | 13600 | 13500 | 12000 | 13100 |
| ПВ=25%(С) | 12500 | 12600 | 13600 | 12600 | 11900 | 11700 | 11700 | 11700 | 10400 | |
| ПВ=40%(Т) | 12200 | 12600 | 12600 | 12600 | 11500 | 11700 | 11700 | 11700 | 10400 | |
| ПВ=100%(Н) | 11200 | 11300 | 11400 | 11200 | 10200 | 11300 | 11500 | 11800 | 10400 | |
| 1500 | ПВ=15%(Л) | 12300 | 12400 | 12600 | 12900 | 12100 | 12700 | 13200 | 11800 | 12200 |
| ПВ=25%(С) | 12300 | 12400 | 12500 | 12900 | 11300 | 11700 | 11700 | 11700 | 10400 | |
| ПВ=40%(Т) | 11900 | 12100 | 12100 | 11700 | 11100 | 11700 | 11700 | 11700 | 10400 | |
| ПВ=100%(Н) | 11100 | 11200 | 11200 | 11200 | 9800 | 10900 | 11700 | 10500 | 10400 | |
| Ц2У-400Н | ||||||||||
| Передаточное число | номин. | 8 | 10 | 12,5 | 16 | 20 | 25 | 31,5 | 40 | 50 |
| фактич. | 8,11 | 10,36 | 12,86 | 16,42 | 20,26 | 25,00 | 31,92 | 38,64 | 49,34 | |
| 500 | ПВ=15%(Л) | 19600 | 19800 | 19400 | 18400 | 20700 | 20900 | 18300 | 16200 | 20400 |
| ПВ=25%(С) | 17700 | 17700 | 17700 | 17700 | 16400 | 16400 | 16400 | 16200 | 15000 | |
| ПВ=40%(Т) | 17700 | 17700 | 17700 | 17700 | 16400 | 16400 | 16400 | 16200 | 14600 | |
| ПВ=100%(Н) | 16200 | 16600 | 16500 | 15900 | 16400 | 16400 | 16400 | 15700 | 14600 | |
| 750 | ПВ=15%(Л) | 18500 | 19300 | 19100 | 18200 | 19300 | 20000 | 18300 | 16200 | 19100 |
| ПВ=25%(С) | 17700 | 17700 | 17700 | 17700 | 16400 | 16400 | 16400 | 16200 | 14600 | |
| ПВ=40%(Т) | 17400 | 17700 | 17700 | 17400 | 16400 | 16400 | 16400 | 16200 | 14600 | |
| ПВ=100%(Н) | 16100 | 16300 | 16300 | 15700 | 16400 | 16400 | 16400 | 15100 | 14600 | |
| 1000 | ПВ=15%(Л) | 17500 | 18300 | 18700 | 18000 | 18400 | 19100 | 18200 | 16200 | 18200 |
| ПВ=25%(С) | 17500 | 17700 | 17700 | 17700 | 16400 | 16400 | 16400 | 16200 | 14600 | |
| ПВ=40%(Т) | 17000 | 17500 | 17400 | 16800 | 16400 | 16400 | 16400 | 16200 | 14600 | |
| ПВ=100%(Н) | 16100 | 16300 | 16100 | 15600 | 16400 | 16400 | 16100 | 15000 | 14600 | |
| 1500 | ПВ=15%(Л) | 17700 | 17500 | 17200 | 17800 | 17900 | 15900 | 17000 | ||
| ПВ=25%(С) | 17500 | 17500 | 16400 | 16400 | 16400 | 15900 | 14600 | |||
| ПВ=40%(Т) | 16800 | 16300 | 16400 | 16400 | 16400 | 15900 | 14600 | |||
| ПВ=100%(Н) | 16100 | 15500 | 15600 | 15900 | 15600 | 14600 | 14600 | |||
| Частота вращения входного вала, об/мин | Режим работы | Номинальный крутящий момент при реверсивном режиме работы, Нм | ||||||||
| Ц2У-315Н | ||||||||||
| Передаточное число | номин. | 8 | 10 | 12,5 | 16 | 20 | 25 | 31,5 | 40 | 50 |
| фактич. | 8,11 | 10,36 | 12,86 | 16,42 | 20,26 | 25,00 | 31,92 | 38,64 | 49,34 | |
| 500 | ПВ=15%(Л) | 8000 | 8300 | 8100 | 7600 | 8400 | 8700 | 7600 | 6700 | 8300 |
| ПВ=25%(С) | 7100 | 7100 | 7100 | 7100 | 6600 | 6600 | 6600 | 6700 | 6100 | |
| ПВ=40%(Т) | 7100 | 7100 | 7100 | 7100 | 6600 | 6600 | 6600 | 6600 | 5900 | |
| ПВ=100%(Н) | 7100 | 7100 | 7100 | 7100 | 6600 | 6600 | 6600 | 6600 | 5900 | |
| 750 | ПВ=15%(Л) | 7500 | 7800 | 8000 | 7600 | 7800 | 8100 | 7600 | 6700 | 7700 |
| ПВ=25%(С) | 7100 | 7100 | 7100 | 7100 | 6600 | 6600 | 6600 | 6600 | 5900 | |
| ПВ=40%(Т) | 7100 | 7100 | 7100 | 7100 | 6600 | 6600 | 6600 | 6600 | 5900 | |
| ПВ=100%(Н) | 7100 | 7100 | 7100 | 7100 | 6600 | 6600 | 6600 | 6600 | 5900 | |
| 1000 | ПВ=15%(Л) | 7100 | 7400 | 7700 | 7600 | 7500 | 7700 | 7600 | 6700 | 7400 |
| ПВ=25%(С) | 7100 | 7100 | 7100 | 7100 | 6600 | 6600 | 6600 | 6600 | 5900 | |
| ПВ=40%(Т) | 7100 | 7100 | 7100 | 7100 | 6600 | 6600 | 6600 | 6600 | 5900 | |
| ПВ=100%(Н) | 7100 | 7100 | 7100 | 7100 | 6600 | 6600 | 6600 | 6600 | 5900 | |
| 1500 | ПВ=15%(Л) | 7000 | 7100 | 7200 | 7400 | 7000 | 7200 | 7500 | 6700 | 6900 |
| ПВ=25%(С) | 7000 | 7100 | 7100 | 7100 | 6600 | 6600 | 6600 | 6600 | 5900 | |
| ПВ=40%(Т) | 7000 | 7100 | 7100 | 7100 | 6600 | 6600 | 6600 | 6600 | 5900 | |
| ПВ=100%(Н) | 7000 | 7100 | 7100 | 7100 | 6600 | 6600 | 6600 | 6600 | 5900 | |
| Ц2У-355Н | ||||||||||
| Передаточное число | номин. | 8 | 10 | 12,5 | 16 | 20 | 25 | 31,5 | 40 | 50 |
| фактич. | 8,11 | 10,36 | 12,86 | 16,42 | 20,26 | 25,00 | 31,92 | 38,64 | 49,34 | |
| 500 | ПВ=15%(Л) | 10500 | 10950 | 10650 | 10125 | 9375 | 11475 | 10125 | 9000 | 11025 |
| ПВ=25%(С) | 9450 | 9450 | 9450 | 9450 | 9375 | 8775 | 8775 | 9000 | 8100 | |
| ПВ=40%(Т) | 9450 | 9450 | 9450 | 9450 | 9000 | 8775 | 8775 | 8775 | 7800 | |
| ПВ=100%(Н) | 8700 | 8850 | 8925 | 8625 | 7950 | 8775 | 8775 | 8550 | 7800 | |
| 750 | ПВ=15%(Л) | 9900 | 10275 | 10500 | 10050 | 9375 | 10725 | 10125 | 9000 | 10275 |
| ПВ=25%(С) | 9450 | 9450 | 9450 | 9450 | 9225 | 8775 | 8775 | 8775 | 7800 | |
| ПВ=40%(Т) | 9375 | 9450 | 9450 | 9375 | 8775 | 8775 | 8775 | 8775 | 7800 | |
| ПВ=100%(Н) | 8475 | 8550 | 9450 | 8550 | 7800 | 8700 | 8775 | 8175 | 7800 | |
| 1000 | ПВ=15%(Л) | 9375 | 9825 | 8700 | 9975 | 9225 | 10200 | 10125 | 9000 | 9825 |
| ПВ=25%(С) | 9375 | 9450 | 10200 | 9450 | 8925 | 8775 | 8775 | 8775 | 7800 | |
| ПВ=40%(Т) | 9150 | 9450 | 9450 | 9450 | 8625 | 8775 | 8775 | 8775 | 7800 | |
| ПВ=100%(Н) | 8400 | 8475 | 8550 | 8400 | 7650 | 8475 | 8625 | 8850 | 7800 | |
| 1500 | ПВ=15%(Л) | 9225 | 9300 | 9450 | 9675 | 9075 | 9525 | 9900 | 8850 | 9150 |
| ПВ=25%(С) | 9225 | 9300 | 9375 | 9450 | 8475 | 8775 | 8775 | 8775 | 7800 | |
| ПВ=40%(Т) | 8925 | 9075 | 9075 | 8775 | 8325 | 8775 | 8775 | 8775 | 7800 | |
| ПВ=100%(Н) | 8325 | 8400 | 8400 | 8400 | 7350 | 8175 | 8775 | 7875 | 7800 | |
| Ц2У-400Н | ||||||||||
| Передаточное число | номин. | 8 | 10 | 12,5 | 16 | 20 | 25 | 31,5 | 40 | 50 |
| фактич. | 8,11 | 10,36 | 12,86 | 16,42 | 20,26 | 25,00 | 31,92 | 38,64 | 49,34 | |
| 500 | ПВ=15%(Л) | 15100 | 15300 | 15000 | 14200 | 16000 | 16200 | 14100 | 12500 | 15800 |
| ПВ=25%(С) | 13700 | 13700 | 13700 | 13700 | 12700 | 12700 | 12700 | 12500 | 11600 | |
| ПВ=40%(Т) | 13700 | 13700 | 13700 | 13700 | 12700 | 12700 | 12700 | 12500 | 11300 | |
| ПВ=100%(Н) | 13700 | 13700 | 13700 | 13700 | 12700 | 12700 | 12700 | 12500 | 11300 | |
| 750 | ПВ=15%(Л) | 14300 | 14900 | 14700 | 14100 | 14900 | 15500 | 14100 | 12500 | 1800 |
| ПВ=25%(С) | 13600 | 13700 | 13700 | 13700 | 12700 | 12700 | 12700 | 12500 | 11300 | |
| ПВ=40%(Т) | 13600 | 13700 | 13700 | 13700 | 12700 | 12700 | 12700 | 12500 | 11300 | |
| ПВ=100%(Н) | 13600 | 13700 | 13700 | 13700 | 12700 | 12700 | 12700 | 12500 | 11300 | |
| 1000 | ПВ=15%(Л) | 13500 | 14200 | 14500 | 13900 | 14200 | 14800 | 14100 | 12500 | 14100 |
| ПВ=25%(С) | 13500 | 13600 | 13700 | 13700 | 12700 | 12700 | 12700 | 12500 | 11300 | |
| ПВ=40%(Т) | 13500 | 13600 | 13700 | 13700 | 12700 | 12700 | 12700 | 12500 | 11300 | |
| ПВ=100%(Н) | 13500 | 13600 | 13700 | 13700 | 12700 | 12700 | 12700 | 12500 | 11300 | |
| 1500 | ПВ=15%(Л) | 13600 | 13500 | 13300 | 13800 | 13800 | 12300 | 13200 | ||
| ПВ=25%(С) | 13500 | 13500 | 12700 | 12700 | 12700 | 12300 | 11300 | |||
| ПВ=40%(Т) | 13500 | 13500 | 12700 | 12700 | 12700 | 12300 | 11300 | |||
| ПВ=100%(Н) | 13500 | 13500 | 12700 | 12700 | 12700 | 12300 | 11300 | |||
Для режимов работы ПВ=25% (с), ПВ=40% (Т) время непрерывной работы не должно превышать 30 мин. При времени непрерывной работы более 30мин режим должен рассматриваться как непрерывный ПВ=100% (Н).
В корпус редукторов рекомендуется заливать следующие марки масел: ИРп-75 ТУ 38.101853-83; И-40А ГОСТ 20799-88; ТАП-15В ГОСТ 23652-79; ТАД-17 ГОСТ 23652-79; ЛСЗп ТУ38-1011267-75; ТС-10ОТП ГОСТ 23652-79; ЛСЗп-6 ТУ38-1011267-72; ТСп-10 ГОСТ 23652-79.


Опубликовано в рубрике
Теги: 
















